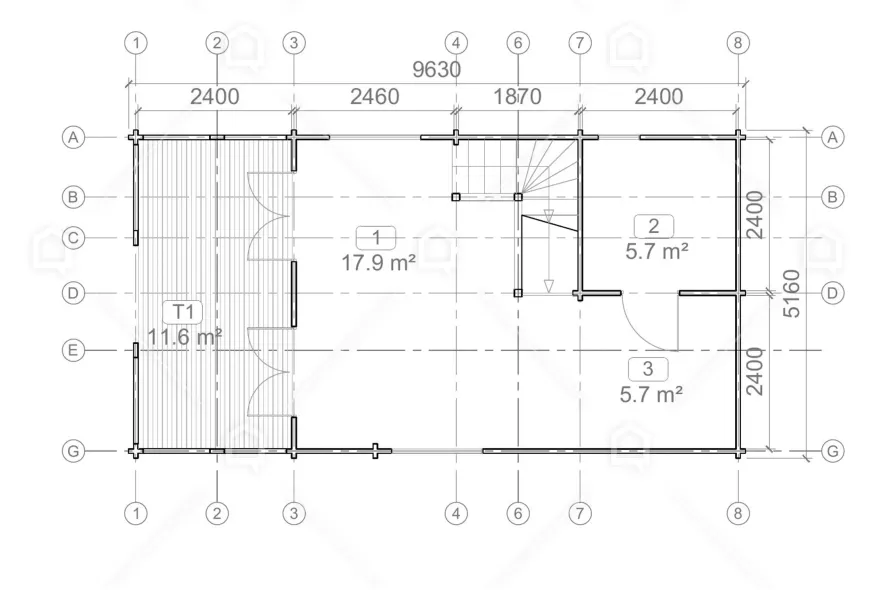
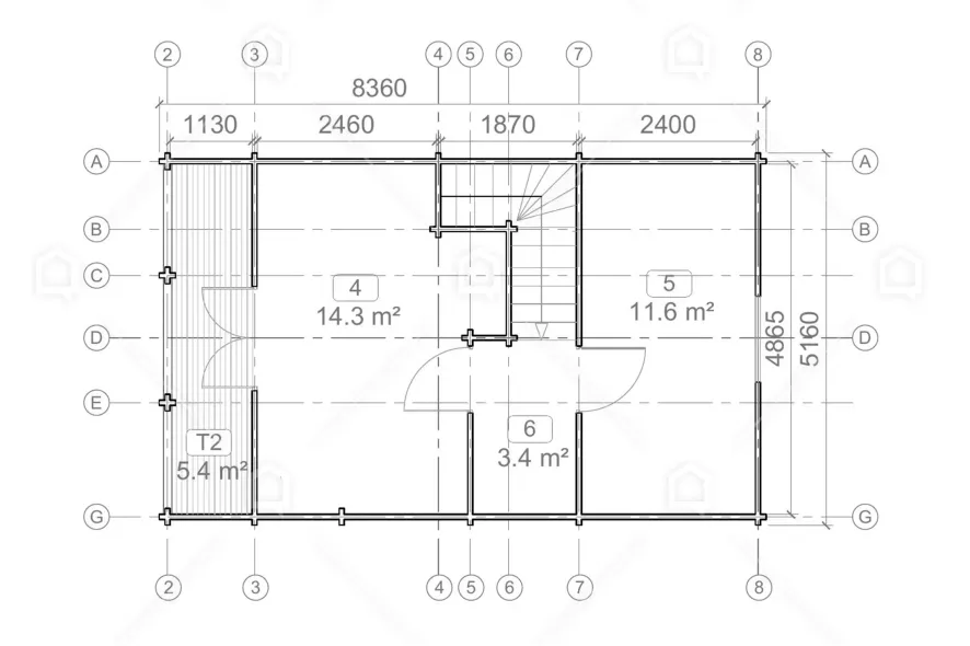
"Sofia" ist ein fast 60 m² großes Holzhaus mit traditionellen Designelementen. Dieses Haus ist so konzipiert, dass es über alle funktionalen Bereiche verfügt, die für ein dauerhaftes Leben notwendig sind: ein gemeinsamer Raum für Wohnzimmer und Küche, drei Schlafzimmer und ein Badezimmer. Bei Bedarf kann eines der Schlafzimmer in ein Büro oder einen Abstellraum umgewandelt werden. Dieses Holzhaus hat zwei Etagen, die die gleiche Fläche einnehmen. Die erste Etage ist für die Freizeit gedacht, die zweite Etage für die Erholung. Der Vorteil des Hauses "Sofia" ist eine große, fast 12 m² große Terrasse mit Zaun, die für Gemütlichkeit sorgt. Ein weiteres Plus ist ein Balkon im gleichen Stil. Sowohl die Terrasse als auch der Balkon sind überdacht, so dass der Aufenthalt dort sowohl bei Regen als auch bei sengender Sonne angenehm ist. Die Gesamtfläche des Hauses, einschließlich der Terrasse, beträgt über 70 m². Das ist eine ideale Größe für jede Familie, auch für eine kleinere. Dank der hohen Fenster im Schlafzimmer und im Wohnzimmer ist dieses Haus das ganze Jahr über hell und gemütlich.
Das Holzhaus "Sofia" kann, wie die anderen Häuser, die wir anbieten, nach Ihren Wünschen umgebaut werden! Sagen Sie uns, wie Sie sich Ihr Haus vorstellen und wir werden es entwerfen und bauen!
Alle Visualisierungen der Projekte auf der Website und die darin verwendeten Attribute des Hauses dienen ausschließlich kommerziellen Zwecken und können nicht als unanfechtbares Beispiel für das Projekt angesehen werden.















